ГЛАВНАЯ НА ВООРУЖЕНИИ ПЕРСПЕКТИВНЫЕ
РАЗРАБОТКИ
ОГНЕВАЯ МОЩЬ
ЗАЩИТА ПОДВИЖНОСТЬ 

ЭКСКЛЮЗИВНЫЕ МАТЕРИАЛЫ  БИБЛИОТЕКА ФОТООБЗОРЫ
 
 



Информационная технология «Gill» и ее применение

в создании подвижных комплексов вооружения

к.т.н., доц. Чернышев В.Л., к.в.н. Рагулин С.В.

Полный текст доклада, сделанного на 8 секции научно-практической конференции “Внутрішні війська МВС України на етапі реформування та розбудови”.

Академія внутрішніх військ МВС України. Харьков, 27 – 28 февраля 2007 г .

 

ВВЕДЕНИЕ

В начале 80-х годов прошлого века, в ведущем танковом КБ СССР, ХКБМ имени А.А. Морозова имели место поломки опытной шестискоростной механической бортовой коробки передач (БКП). В стендовых условиях, при номинальной нагрузке, происходило раскалывание колец подшипников сателлитов 2 планетарного ряда, что свидетельствовало о возникновении в системе больших ударных нагрузок. Существующие в то время методы расчета силовых передач, разработанные В.А. Колесовым, А.Н. Крюковым и М.Г. Жучковым (ВНИИ Трансмаш г. Санкт-Петербург), не давали убедительных ответов на возникшие вопросы. Главный инженер ХКБМ А.В. Бершов, руководитель дублирующего проекта «Электромеханическая трансмиссия» (ЭМТ), поставил перед рабочей группой задачу: выявить причины разрушения подшипников качения и максимально исключить возникновение любых поломок в трансмиссии для перспективного советского танка 90-х годов. Положение усугублялось еще и тем, что фирма FMC, разработчик транспортера М113, так же работала над ЭМТ для перспективного американского танка FCS (Future Combat System). Успешное решение данной задачи открывало хорошие перспективы в компоновке военно-гусеничных машин (применение сочлененных и модульных конструкций) и установку электромагнитного комплекса вооружения, что позволяло говорить о создании танков следующего поколения.

Результаты исследований, проведенные рабочей группой, позволили сделать следующие выводы:

1. Транспортные средства передвижения (ТСП) необходимо рассматривать как замкнутую систему «среда-машина-водитель». Это позволяет учесть взаимное влияние физико-механических свойств несущего основания, режимы движения, параметры движителя, системы подрессоривания, моторно-трансмиссионной установки, компоновку машины и водителя, с учетом его воздействий на органы управления и обратной реакции машины на всех членов экипажа (вопросы эргономики).

2. Комплексная система «среда-машина-водитель» представляет информационную технологию (ИТ) двойного назначения, которая должна аналитически описывать конкретное ТСП, учитывать основные физические процессы, протекающие в составных подсистемах и обладать гибкостью, позволяющей в короткие сроки, с высокой достоверностью решать вопросы конструкторского сопровождения всего проекта в целом, включая компоновку, системы двигателя и ходовой части.

Аналогами данной системы являются стандарт НАТО по оценке показателей подвижности танков АММ-75 и программа NTVPM, разработанная Вонгом (Wong J.Y., Канада). В советском танкостроении аналогов не выявлено.

4. ИТ необходимо создавать самостоятельно. В качестве основы для разработки могут быть использованы: докторская диссертация по проходимости танков А.П. Софияна (ВНИИТрансмаш), защищенная в 1980 году, и работы известного советского специалиста по ЭМТ д.т.н. П.Н. Иванченко.

5. Экспериментальную проверку комплексной системы «среда-машина-водитель» необходимо проводить на танке Т-64Б, по которому в ХКБМ собрана полная и достоверная информация. Итогом пятилетней работы явилось создание основ ИТ «Gill» и ее экспериментальная проверка в 1989 году. Целью предлагаемого доклада является: - представление результатов практического применения ИТ “Gill” за 20-летний период ее существования; - рассмотрение возможных областей применения.

 

При создании ИТ “Gill” условно можно выделить несколько этапов, каждый ставил конкретные задачи и был жестко ограничен временем.

 

  1. Разработка, экспериментальная проверка и применение ИТ “Gill” в создании электромеханической трансмиссии перспективного советского танка 90-х годов.
  2. Доводка опытной гидрообъемной механической трансмиссии для ВГМ легкой весовой категории.
  3. Разработка ТТТ к самоходному зенитному пушечно-ракетному комплексу «Донец» и его подсистемам.
  4. Разработка эскизного проекта бортовой гидрообъемной механической трансмиссии для ВГМ тяжелой весовой категории.

 

1. Разработка, экспериментальная проверка и применение ИТ “Gill” в создании электромеханической трансмиссии перспективного советского танка 90-х годов

1.1. Корни разработки

 В 1959 году, при испытаниях тягача АТТ, А.П. Софиян впервые выявил циклический характер нагружения несущего основания и показал его влияние на взаимодействие системы «грунт-движитель». Спустя 15 лет незначительная часть проведенных исследований была опубликована в открытой печати [1] . Появление статьи [1] вызвало острую критику со стороны ведущего эксперта TACOM

(Tank Automotive Command - подразделение Пентагона, отвечающее за технический уровень танковых войск США) М. Беккера [2], что привлекло внимание зарубежных [3], [4] и отечественных [5], [6], [7] специалистов.

Общее научное руководство разработкой ИТ “Gill” осуществлял Павел Николаевич Иванченко, автор пяти монографий по силовым передачам ТСП. Благодаря его знаниям и опыту удалось за 3 года разработать метод динамического состояния и применить его для решения стоящих перед нами задачами.

1.2. Результаты экспериментальной проверки Экспериментальная проверка ИТ “Gill” проводилась в период с 1987 по 1989 годы на танке Т-64Б на полигонах Кубинки (в/ч 68054) и ХКБМ им. А.А. Морозова в Чугуеве.

1.2.1. Динамика силовой передачи танка Т-64Б. Структурная схема силовой передачи представлена на рис. 1.

Рис. 1. Структурная схема силовой передачи танка Т-64Б

Рис. 1. Структурная схема силовой передачи танка Т-64Б

Рис. 2. Разрез БКП

Рис. 2. Разрез БКП

 

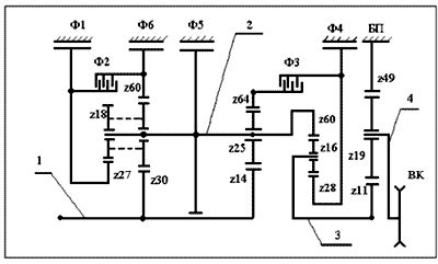
На рис. 3 представлена половина кинематической схемы семискоростной танковой БКП. Она включает в себя: входной вал (1), сложное водило (2), выходной вал БКП (3), водило бортовой передачи (4), два блокирующих фрикциона (Ф2 и Ф3) и четыре тормозных (Ф1, Ф6, Ф5, и Ф4).

 

Рис. 3. Кинематическая схема БКП

Рис. 3. Кинематическая схема БКП

 

На рис. 4 .. 9 представлены экспериментальные (кривая 1) и расчетные (кривая 2) результаты разгона танка Т-64Б на ровной бетонной трассе. Это оригинальные материалы 20-летней давности.

Просмотреть рис. 4 .. 9.

 

Анализ полученных результатов показал:

  1. При переключении передач в планетарных трансмиссиях возникают автоколебания, обусловленные силами трения между дисками фрикционных устройств, которые являются источником интенсивных инерционных ударных нагрузок.
  2. Ударные нагрузки превышают номинальные в 5 .. 7 раз и могут быть причиной разрушения деталей и узлов силовой передачи.
  3. Управление фрикционными устройствами (законы нарастания масла в бустерах) оказывает непосредственное влияние на выявленные процессы.

1.2.2. Динамика системы подрессоривания и шасси. На рис. 10 .. 13 показаны условия проведения испытаний, объект исследования, расчетные вертикальные ускорения на месте механика-водителя и кадр осциллограммы, отражающей изучаемые процессы.

Рис. 10. Участок чугуевского полигона испытаний.

Рис. 10. Участок чугуевского полигона испытаний.

Рис. 11. Киносъемка испытаний Т-64Б на плавность хода

Рис. 11. Киносъемка испытаний Т-64Б на плавность хода

 

Программа расчетов позволяла корректно учесть значение моментов со- противления вращению ведущих колес с учетом свойств несущего основания, особенностей гусеничного движителя, параметров системы подрессоривания и скорости движения танка, определить перемещения, скорости и ускорения любой точки корпуса, включая цапфы пушки, что открывало выход на задачи следующего уровня: «среда-машина-экипаж-оружие-цель».

Рис. 12. Расчетные значения ускорений на месте механика-водителя.

Рис. 12. Расчетные значения ускорений на месте механика-водителя.

Рис. 13. Кадр осциллограммы испытаний танка Т-64Б на плавность хода.

Рис. 13. Кадр осциллограммы испытаний танка Т-64Б на плавность хода.

 

Полученные результаты показали хорошее качественное и количественное совпадение. Это позволило применить ИТ ”Gill” в обосновании кинематической схемы ЭМТ, исследовать переходные процессы в силовой передаче, оценить нагруженность и ресурс зубчатых передач и фрикционных устройств, сформулировать тактико-технические требования к системам управления и охлаждения. Конструкторская проработка механической части ЭМТ была выполнена А.А. Сакуном, руководство разработкой электроблока осуществлялось В.И. Трофименко. К концу 1990 года технический проект ЭМТ, совместно с московскими и киевскими организациями, был завершен.

Развал Советского Союза в августе 1991 году исключил дальнейшее развитие проекта ЭМТ, однако ИТ «Gill» сохранилась, продолжала развиваться и обеспечивала решение возникающих задач.

 

2. Гидрообъемная механическая трансмиссия для ВГМ легкой весовой категории

В первой половине 90-х годов прошлого века, перед ОГКТ при ХТЗ возникла проблема доводки опытной гидрообъемной механической трансмиссии (ГОМТ) для военно-гусеничной машины легкой весовой категории, которая должна была заменить морально устаревшее шасси МТЛ-Б. Конструкция гидрообъемной передачи (ГОП) была разработана Харьковским агрегатным конструкторским бюро (ХАКБ) при заводе «ФЭД». ХАКБ известный разработчик гидрообъемных приводов управления для авиационно-космической техники. Применение их разработок для наземного транспортного средства специального назначения поставило ГОП в тяжелые условия работы, которые приводили к их быстрому выходу из строя. Положение обострялось еще и тем, что механическая часть трансмиссии имела свои конструктивные недоработки [8] и найти правильные решения было сложно. Моделирование переходных процессов в силовой передаче с использованием ИТ “Gill” позволило определить причины выхода из строя ГОП, выявить конструкторские ошибки и предложить простые технические решения, обеспечивающие работоспособность всей конструкции. Последующие полигонные испытания подтвердили достоверность сделанных рекомендаций.

Рис. 14. Гусеничное шасси, оборудованное ГОМТ

Рис. 14. Гусеничное шасси, оборудованное ГОМТ

 

3. Самоходный зенитный пушечно-ракетный комплекс «Донец»

Военный конфликт между Кувейтом и Ираком (операция «Буря в пустыне») показал эффективность американской концепции “Наземно-воздушная операция”, в соответствии с которой, главной задачей первого этапа боевых действий является уничтожение системы ПВО, важнейших пунктов

государственного и военного управления. Интенсивное применение высокоточного оружия (ВТО) изменило характер ведения боевых операций и перед системами и комплексами ПВО СВ возникла задача борьбы с ним. Боевое использование ЗСУ-23-4 “Шилка” в операции “Жало пустыни” показало высокую эффективность применения артиллерии малого калибра для борьбы с элементами ВТО. Так, 13.01.1993 года батарея ПВО, имеющая на вооружении подвижные комплексы ЗСУ-23-4, уничтожила 8 КР «Tomahawk». Общее число КР, сбитых войсками ПВО Ирака, составило 16 - 18 единиц. Полученные материалы явились основанием для аналитической группы управления зенитного ракетного и артиллерийского вооружения (командир полковник С.В. Рагулин) Научного центра ВВС и ПВО при Харьковском военном университете (ХВУ) поставить вопрос о модернизации комплексов ЗСУ- 23-4 «Шилка» и доведения их технического уровня до требований современно- го боя. В дальнейшем к этой работе были подключены НПО «Хартрон» (разработка систем управления и наведения) и ИМИС (разработка конструкторской документации). В качестве производственной базы рассматривался 115 танкоремонтный завод (ТРЗ) МО Украины. Общее руководство проектом «Донец» осуществлял зам. начальника ХВУ по науке д.т.н. полковник М.К. Можар. При обосновании путей модернизации зенитного пушечно-ракетного комплекса (ЗПРК) «Донец», НЦ ВВС и ПВО использовал элементы информационной технологии «Gill», которые были дополнены новыми подсистемами: поражаемая цель, РЛС слежения, гидрообъемные приводы вертикального и горизонтального наведения артиллерийским и ракетными каналами стрельбы, что представляло систему следующего уровня «местность-машина-экипаж-оружие-цель». Общая структурная схема ЗПРК представлена на рис. 15. Каждая подсистема, входящая в структурную схему, описывается дифференциальными уравнениями, отражающими протекающие в ней физические процессы и явления.

В качестве возможных вариантов шасси рассматривались:

- многоцелевой тяжелый тягач МТ-Т;

- танк Т-80УД, серийно выпускаемый «Заводом имени Малышева»;

- танк Т-64Б, снятый с производства, но находящийся на хранении и подлежащий уничтожению на 115 ТРЗ в соответствии с Договором об ограничении войск в Европе.

Общая структурная схема ИТ “Gill” для ЗПРК «Донец»

Рис. 15. Общая структурная схема ИТ “Gill” для ЗПРК «Донец»

 

Предварительные анализы показали:

  1. Тягач МТ-Т обладает недостаточной защитой экипажа и содержит двигатель В-46, изготавливаемый в России.
  2. Шасси танка Т-80УД имеет больший вес и избыток мощности двигателя.
  3. Наиболее целесообразным является использование шасси танка Т-64Б. Его удельная мощность, показатели защиты и проходимости являются достаточными. На складах имеется значительных запас двигателей 5ТДФ, что существенно продлевает жизненный цикл модернизируемого комплекса. Существенным недостатком шасси танка Т-64Б является бортовая коробка передач, которая была разработана в начале 60-х годов прошлого века и уже не отвечала современным требованиям по управляемости и подвижности.

Испытания танка Т-64Б на проходимость. «Танки грязи не боятся!».

Рис. 16. Испытания танка Т-64Б на проходимость. «Танки грязи не боятся!».

 

Аналитическая модель ЗПРК «Донец» на танковом шасси с башней, пушкой и приводами наведения ЗСУ-23-4 описывалась системой 157 дифференциальных уравнений первого порядка, приведенными к виду Коши. Выполненные расчеты показали, что за счет смещения торсионов системы подрессоривания правого и левого бортов танка Т-80 УД, при наведении башни с максимальными угловыми скоростями по горизонтали -70 град/сек, по вертикали – 60 град/сек, за счет ее неуравновешенности, возникают продольно-поперечные колебания корпуса, приводящие к увеличению погрешности стрельбы на 8..12 %.

Это также влияет на точность сопровождения цели, которая существенно ухудшается при стрельбе, за счет усилий отдачи пушки АЗП-23. Шасси ЗСУ-23-4 «Шилка» (ГМ-575) так же имеет несоосные торсионы, но опорные катки левого борта, по отношению к правому, сдвинуты вперед так, что 2 опорный каток левого борта находится на одной линии с 1 катком правого борта. Это в значительной степени обеспечивает устойчивость корпуса при стрельбе.

Ни один из современных танков, исключая морозовский Т-64 и его модификации, не учитывает эту особенность…

В качестве поражаемого объекта рассматривалась скоростная цель, совершающая маневры на конечном участке траектории с перегрузками более 15g. ИТ “Gill” позволила достаточно быстро, при незначительных материальных затратах, научно обосновывать тактико-технические требования к ЗПРК «Донец» в целом и его составным системам. При появлении ближневосточного инвестора 115 ТРЗ был вытеснен из проекта «Донец» мощным, на то время, «Заводом имени Малышева» (директор Г.В. Малюк). Рекомендации рабочей группы НЦ ВВС и ПВО не были учтены руководством проекта, т.к. не отражали интересы «Завода имени Малышева», в

серийном производстве которого находился танк Т-80УД. Некоторые материалы, полученные в ходе работ по теме «Донец», были доложены широкому кругу отечественных и зарубежных специалистов в сентябре 1997 года [9]. Изготовление опытного образца ЗПРК «Донец» и его полигонные испытания, на которых авторы доклада присутствовали в качестве экспертов МО Украины, не показали высоких ТТХ, что, по-видимому, и явились одной из причин нынешнего положения «Завода имени Малышева»…

ЗПРК «Донец»: техническое решение и его «товарный макияж»

Рис. 17. ЗПРК «Донец»: техническое решение и его «товарный макияж»

 

4. Бортовая гидрообъемная механическая трансмиссия для ВГМ тяжелой весовой категории

Увольнение М.К. Можара из ВС и его уход с группой второстепенных участников проекта «Донец» на

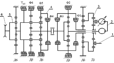
«Завод имени Малышева» не повлияли на работу основной группы НЦ ВВС и ПВО, которая приступила к модернизации шасси. Практический опыт работы в ХКБМ имени А.А. Морозова по проекту ЭМТ и реально существующая, проверенная экспериментально ГОП ХАКБ позволяли с высокой вероятностью успеха создать танковую бортовую гидрообъемную механическую трансмиссию (БГОМТ). В 2000 году был завершен эскизный проект БГОМТ, а ее конструкция запатентована на Украине и в России [10]. На рис. 18 приведена кинематическая схема БГОМТ.

Рис. 18. Кинематическая схема БГОМТ

Рис. 18. Кинематическая схема БГОМТ

 

Конструкция передачу (2),  БГОМТ включает в себя: входной вал (1), гидрообъемнуювходной редуктор (3), выполненный в виде двух планетарных рядов Д1 и Д2, что обеспечивает полный реверс, блокирующие фрикционы Ф1, Ф3 и Ф4, тормозные фрикционы Ф2, Ф5 и Ф6, стояночный тормоз Тст, коробку передач (4) на планетарных рядах Д3, Д4, Д5, бортовую передачу (5) и ведущее колесо (6).

 

По сравнению с серийной семискоростной БКП были дополнительно введены блокирующий фрикцион и планетарный ряд. Это позволило реализовать 6 передач вперед и обеспечить полный реверс.

Система торможения может реализовать три режима:

-безопасную стоянку (Тст);

-плавное торможение обеспечивается одновременным включением фрикционов Ф4, Ф5 и Ф6 обоих бортов;

-экстренное торможение. Кинематическая схема и параметры планетарных рядов позволяют реализовать 2 режима движения машины:

-режим двухпоточной ГОМТ, обеспечивающий автоматическое переключение передач, без скольжения фрикционных устройств, при скоростях движения до 32 км/час и движение машины в диапазоне скоростей от 32 до 72 км/час, за счет ГОП и ДВС, без переключения передач;

-режим механической трансмиссии на случай выхода из строя ГОП, выполнения тяжелых земляных работ, запуск с буксира и т.д. В таблице 1 показано сравнение основных характеристик БГОМТ и серийной БКП в объектовых условиях танка Т-72 и их условная эффективность. Использование БГОМТ в силовой передаче танка Т-72 позволяет поднять его расчетный технический уровень, по показателям подвижности, более чем в 4 раза [11].

Отдельные материалы по проекту БГОМТ представлялись руководством концерна «ХАЗ», в который входит завод «ФЭД», на 3 авиационном салоне Air-show China 2000 в Чжухае (Китай, ноябрь 2000).

Отдельные материалы по проекту БГОМТ представлялись руководством концерна «ХАЗ», в который входит завод «ФЭД», на 3 авиационном салоне Air-show China 2000 в Чжухае (Китай, ноябрь 2000).

 

5. Возможные области использования ИТ “Gill”

Среди основных задач, которые могут быть решены с помощью информационной технологии “Gill”, можно выделить следующие:

1. Определение направлений модернизации существующих и создания перспективных комплексов, включая оценку эффективности проводимых мероприятий.

2. Техническая экспертиза существующих, модернизируемых и проектируемых комплексов вооружения на гусеничном шасси. 3. Техническое сопровождение конструкторских разработок.

4. Исследование взаимного влияния составных систем комплекса и обоснование требований к ним.

5. Оценка динамической нагруженности составных систем шасси (двигатель, трансмиссия, система подрессоривания и т.д.), оценка их надежности и ресурса.

6. Отработка алгоритмов управления комплексом в различных режимах его работы.

7. Разработка программного обеспечения для бортового цифрового вычислителя и тренажера.

 

Список использованной литературы

1. Софиян А.П. Процессы колееобразования на опорной поверхности гусеничного движителя. //Тракторы и сельхозмашины. -М.: Машиностроение, -№ 4.- 1973 .

2. Bekker M.G. Trached Vehicles-Terrain Damage and Economy. // SAE Tech-nical Paper Series, 198O, No 8OO953, p.1-15.

3. Spector M. Principles of soil-tool interaction. // Journal of Terramechanics. V.18.- No 1.- 1981, p.51-65.

4. Wong J.Y., Preston-Thomash J. On the characterization of the pressure-sinkage relation-ship of snow covers containing an ice layer. //Journal of Terramechanics. V.12. - No1.- 1983, p.1-12.

5. Ольшанский В.П. О качении ведомого колеса по упруго-пластическому грунту. // Тракторы и сельхозмашины. -М.: Машиностроение,-№ 9.- 1978.

6. Чернышев В.Л. Об одном частном случае движения гусеничной машины по пластическому грунту. // Тракторы и сельхозмашины. -М.: Машиностроение,-№ 5.- 1982.

7. Чернышев В.Л. Аналитическое описание вязко-упруго-пластических свойств несущих оснований и энергетический принцип их классификации. // Тезисы докладов 1 международного симпозиума по террамеханике "Оптимальное взаимодействие", Суздаль, 1992.

8. Омельченко В.Н., Чернышев В.Л., Скрипкин Н.Р., Федотов В.И. Об одном необычном разрушении зубчатых колес механического привода.// Механіка та машинобудування. -№1.–1997, С. 96-102.

9. Рагулин С.В., Чернышев В.Л. Комплексное моделирование функциональных возможностей зенитной самоходной установки ЗСУ-23-4 «Шилка». Материалы 1 международной конференции «Артиллерийские ствольные системы, боеприпасы, средства артиллерийской разведки и управления огнем». Киев, ГНТЦ АСВ, сентябрь 1997.

10. Патент Украины № 2001021345. // Бюл. -№8.- 2001.

11. Чернышев В.Л., Рагулин С.В., Щокин В.М., Афузов А.С. Оценка технического уровня танковых трансмиссий и пути его повышения. // Материалы 10-й международной научно-методической конференции «Технологии ХХI века», Алушта, 8-14 сентября 2003.





 




 
ГЛАВНАЯ НА ВООРУЖЕНИИ ПЕРСПЕКТИВНЫЕ
РАЗРАБОТКИ
ОГНЕВАЯ МОЩЬ
ЗАЩИТА ПОДВИЖНОСТЬ 

ЭКСКЛЮЗИВНЫЕ МАТЕРИАЛЫ  БИБЛИОТЕКА ФОТООБЗОРЫ